


Objectifs du projet
- Comprendre le principe de diviseur de fréquence
- Savoir calculer le nombre des bits du compteur et la valeur de chargement
- Se familiariser avec un système multi-horloges
- Utilisation d’un décodeur BCD to BCD 7 Segments
- Autres astuces de programmation
Analyse de fonctionnement
Le circuit permet de générer une multitude des horloges allant de 6 MHz à 1 Hz, 8 horloges en total.
L’horloge de 1Hz (période d’une seconde) Contrôle l’afficheur 7 segments allant de 0 à 10 équivalents à une horloge de 10 secondes, un autre projet sera étudier prochainement pour créer une montre à 3 digits (9 :99).
Le circuit possède une entrée de réinitialisation RST et une entrée de validation CE (CE=’1’), lorsque CE=’0’, le système mémorise l’état actuel, CE=’1’ le système continue le fonctionnement à partir de l’état précédente.
8 LED d’état sont liés avec les horloges. Les trois afficheurs sont actifs en permanent par les signaux, donc la même valeur s’affiche partout.
Les sorties du compteur et la fréquence équivalente
On considère un compteur sur 24 bits[0..23], le tableau ci-dessous montre la fréquence de chaque sortie avec F0=12MHz :
| Sortie | Rapport de division | Fréquence (MHz) |
| 0 | 2 | 6 |
| 1 | 1/4 | 3 |
| 2 | 1/8 | 1.5 |
| 3 | 1/16 | 0.75 |
| 4 | 1/32 | 0.375 |
| 5 | 1/64 | 0.1875 |
| 6 | 1/128 | 0.0938 |
| 7 | 1/256 | 0. 0469 |
| 23 | 1/16777216 | 0.7153 e-6 |
Calcul de la valeur du compteur et le nombre de bit en fonction de la fréquence désirée
La fréquence interne du kit kit de développement Elbert V2 (clk) est liée à la fréquence 12 Mhz (voir le guide):

F_clk= 12Mhz => T0 = 1/F_clk = 83.33 ns. Pour obtenir une fréquence de Fx=1/Tx , il faut compter Nx période de T0, donc :
Tx = Nx * T0 => Nx = Tx/T0 = Tx*F0= F0/(2*Fx) avec un rapport de deux pret.
Ex : Pour obtenir une horloge de 1Hz (Fx=1Hz) : Nx = F0/(2*Fx)=12e6/2 =6.000.000 période de 83.33 ns
Calculer le nombre des bits du compteur
Pour savoir le nombre des bits, il suffit de convertir la valeur décimal en héxadécimal, le nombre des bits égal à la longeur du mot
Ex : 16e = 0x »5B8D80″ = b’10110111000110110000000′, donc le nombre des bits égal à 23 bits !
Site pour convertir un nombre décimal en Héxa ou binaire : click içi
Programme VHDL
library ieee;
use ieee.std_logic_1164.all;
use ieee.std_logic_arith.all;
use ieee.std_logic_unsigned.all;
use ieee.numeric_std;
entity ClkGen is
GENERIC
(
N : positive :=24;
M : positive :=8
);
Port ( clk_12M : in STD_LOGIC;
CE : in STD_LOGIC:='0';
RST : in STD_LOGIC:='0';
Clk_6M : out STD_LOGIC :='0'; -- 6MHz
Clk_3M : out STD_LOGIC :='0'; -- 3MHz
Clk_750k : out STD_LOGIC :='0'; -- 750KHz
Clk_1P46k : out STD_LOGIC :='0'; -- 1.46KHz
Clk_22P88 : out STD_LOGIC :='0'; -- 22.88Hz
Clk_11P44 : out STD_LOGIC :='0'; -- 11.44Hz
Clk_2P86 : out STD_LOGIC :='0'; -- 2.86Hz
Clk_1_HZ : out STD_LOGIC :='0' ;
Seg_value : out std_logic_vector(M-1 downto 0):=x"3F";
TransEN1 : out STD_LOGIC :='0' ;
TransEN2 : out STD_LOGIC :='0' ;
TransEN3 : out STD_LOGIC :='0'
);
end ClkGen;
architecture Beh_ClkGen of ClkGen is
SIGNAL Count_tmp : std_logic_vector(N-1 downto 0):= x"000000";
SIGNAL Count_1_sec : std_logic_vector(N-1 downto 0):= x"000000";
CONSTANT Value_1_sec : std_logic_vector(N-1 downto 0):= x"5B8D80"; -- = F0/2 dec2hex(12e6/2)(matlab)
SIGNAL Clk_1_HZ_tmp : std_logic:='0';
SIGNAL sel : std_logic_vector(3 downto 0):=x"0";
SIGNAL Seg_temp : std_logic_vector(M-1 downto 0):=x"FF";
TYPE T_DATA is array (0 to 9) of std_logic_vector(M-1 downto 0);
-- Anode commune
CONSTANT SEG_7 : T_DATA :=
(x"C0", -- '0'
x"F9", -- '1'
x"A4", -- '2'
x"B0", -- '3'
x"99", -- '4'
x"92", -- '5'
x"82", -- '6'
x"F8", -- '7'
x"80", -- '8'
x"90"); -- '9'
BEGIN
-- BCD TO 7 SEG CONVERTER
PROCESS (Clk_1_HZ_tmp,sel,RST)
BEGIN
IF RST = '1' THEN
Seg_temp <= x"00";
ELSIF (Clk_1_HZ_tmp'EVENT AND Clk_1_HZ_tmp='1') THEN
CASE sel IS
WHEN x"0" => Seg_temp<=SEG_7(0);
WHEN x"1" => Seg_temp<=SEG_7(1);
WHEN x"2" => Seg_temp<=SEG_7(2);
WHEN x"3" => Seg_temp<=SEG_7(3);
WHEN x"4" => Seg_temp<=SEG_7(4);
WHEN x"5" => Seg_temp<=SEG_7(5);
WHEN x"6" => Seg_temp<=SEG_7(6);
WHEN x"7" => Seg_temp<=SEG_7(7);
WHEN x"8" => Seg_temp<=SEG_7(8);
WHEN x"9" => Seg_temp<=SEG_7(9);
WHEN OTHERS => Seg_temp<=SEG_7(0);
END CASE ;
END IF;
END PROCESS;
Seg_value<=Seg_temp;
TransEN1<= '0';
TransEN2<= '0';
TransEN3<= '0';
-- Process de controle de l'afficheur 7 Segs : Incrémentation chaque séconde
-- de la valeur de sélection [Horloge 0-9 seconde]
PROCESS (Clk_1_HZ_tmp, RST,CE)
BEGIN
IF RST ='1' THEN
sel <= x"0";
ELSIF (Clk_1_HZ_tmp'EVENT AND Clk_1_HZ_tmp='1') THEN
IF CE ='1' THEN
sel<= sel + 1 ;
IF sel = x"9" THEN
sel<= x"0";
END IF ;
ELSE
sel<=sel;
END IF;
END IF ;
END PROCESS;
-- Génerateur des clocks de 6 MHh ----> 11Hz
PROCESS (clk_12M, RST,CE)
BEGIN
IF RST ='1' THEN
Count_tmp <= x"000000"; --(others =>'0')
ELSIF (clk_12M'EVENT AND clk_12M='1') THEN
IF CE ='1' THEN
Count_tmp<= Count_tmp + 1 ;
ELSE
Count_tmp<=Count_tmp;
END IF;
END IF ;
END PROCESS;
Clk_6M<= Count_tmp(0);
Clk_3M<= Count_tmp(1);
Clk_750k<= Count_tmp(3);
Clk_1P46k<= Count_tmp(12); -- 1.46KHz
Clk_22P88<= Count_tmp(18); -- 22.88Hz
Clk_11P44<= Count_tmp(19); -- 11.44Hz
Clk_2P86<= Count_tmp(N-2); -- 2.86Hz
-- Génerateur d'une horloge de 1 Hz : Horloge de l'afficheur 7 Seg
SEC_1 : PROCESS (clk_12M, RST,CE)
BEGIN
IF RST ='1' THEN
Count_1_sec <= x"000000";
Clk_1_HZ_tmp<='0';
ELSIF (clk_12M'EVENT AND clk_12M='1') THEN
IF CE ='1' THEN
Count_1_sec<= Count_1_sec + 1 ;
IF Count_1_sec = Value_1_sec THEN
Count_1_sec <= x"000000";
Clk_1_HZ_tmp<= not(Clk_1_HZ_tmp);
END IF ;
ELSE
Count_1_sec<=Count_1_sec;
END IF;
END IF ;
END PROCESS;
Clk_1_HZ <= Clk_1_HZ_tmp;
end Beh_ClkGen;
Fichier Pinout
CONFIG VCCAUX = "3.3" ;
# Clock 12 MHz
NET "clk_12M" LOC = P129 | IOSTANDARD = LVCMOS33 | PERIOD = 12MHz;
#NET "Clk" LOC = P57 | IOSTANDARD = LVCMOS33 | SLEW = SLOW | DRIVE = 12;
NET "Clk_6M" LOC = P46 | IOSTANDARD = LVCMOS33 | SLEW = FAST | DRIVE = 12;
NET "Clk_3M" LOC = P47 | IOSTANDARD = LVCMOS33 | SLEW = FAST | DRIVE = 12;
NET "Clk_750k" LOC = P48 | IOSTANDARD = LVCMOS33 | SLEW = FAST | DRIVE = 12;
NET "Clk_1P46k" LOC = P49 | IOSTANDARD = LVCMOS33 | SLEW = FAST | DRIVE = 12;
NET "Clk_22P88" LOC = P50 | IOSTANDARD = LVCMOS33 | SLEW = FAST | DRIVE = 12;
NET "Clk_11P44" LOC = P51 | IOSTANDARD = LVCMOS33 | SLEW = FAST | DRIVE = 12;
NET "Clk_2P86" LOC = P54 | IOSTANDARD = LVCMOS33 | SLEW = FAST | DRIVE = 12;
NET "Clk_1_HZ" LOC = P55 | IOSTANDARD = LVCMOS33 | SLEW = FAST | DRIVE = 12;
# DP SWITCH
NET "CE" LOC = P70 | PULLUP | IOSTANDARD = LVCMOS33 | SLEW = SLOW | DRIVE = 12;
NET "RST" LOC = P69 | PULLUP | IOSTANDARD = LVCMOS33 | SLEW = SLOW | DRIVE = 12;
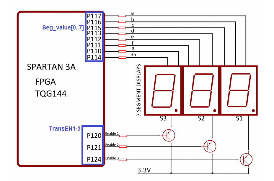
NET "Seg_value[0]" LOC = P117 | IOSTANDARD = LVCMOS33 | SLEW = FAST | DRIVE = 12;
NET "Seg_value[1]" LOC = P116 | IOSTANDARD = LVCMOS33 | SLEW = FAST | DRIVE = 12;
NET "Seg_value[2]" LOC = P115 | IOSTANDARD = LVCMOS33 | SLEW = FAST | DRIVE = 12;
NET "Seg_value[3]" LOC = P113 | IOSTANDARD = LVCMOS33 | SLEW = FAST | DRIVE = 12;
NET "Seg_value[4]" LOC = P112 | IOSTANDARD = LVCMOS33 | SLEW = FAST | DRIVE = 12;
NET "Seg_value[5]" LOC = P111 | IOSTANDARD = LVCMOS33 | SLEW = FAST | DRIVE = 12;
NET "Seg_value[6]" LOC = P110 | IOSTANDARD = LVCMOS33 | SLEW = FAST | DRIVE = 12;
NET "Seg_value[7]" LOC = P114 | IOSTANDARD = LVCMOS33 | SLEW = FAST | DRIVE = 12;
NET "TransEN1" LOC = P124 | IOSTANDARD = LVCMOS33 | SLEW = FAST | DRIVE = 12;
NET "TransEN2" LOC = P121 | IOSTANDARD = LVCMOS33 | SLEW = SLOW | DRIVE = 12;
NET "TransEN3" LOC = P120 | IOSTANDARD = LVCMOS33 | SLEW = SLOW | DRIVE = 12;
Programme de simulation (Testbanch)
LIBRARY ieee;
USE ieee.std_logic_1164.ALL;
ENTITY ClkGen_Test IS
END ClkGen_Test;
ARCHITECTURE behavior OF ClkGen_Test IS
-- Component Declaration for the Unit Under Test (UUT)
COMPONENT ClkGen
PORT(
clk_12M : IN std_logic;
CE : IN std_logic;
RST : IN std_logic;
Clk_6M : OUT std_logic;
Clk_3M : OUT std_logic;
Clk_750k : OUT std_logic;
Clk_1P46k : OUT std_logic;
Clk_22P88 : OUT std_logic;
Clk_11P44 : OUT std_logic;
Clk_1_HZ : OUT std_logic
);
END COMPONENT;
--Inputs
signal clk_12M : std_logic := '0';
signal CE : std_logic := '0';
signal RST : std_logic := '0';
--Outputs
signal Clk_6M : std_logic;
signal Clk_3M : std_logic;
signal Clk_750k : std_logic;
signal Clk_1P46k : std_logic;
signal Clk_22P88 : std_logic;
signal Clk_11P44 : std_logic;
signal Clk_1_HZ : std_logic;
-- Clock period definitions
constant clk_12M_period : time := 83.33333333333333333333 ns;
BEGIN
-- Instantiate the Unit Under Test (UUT)
uut: ClkGen PORT MAP (
clk_12M => clk_12M,
CE => CE,
RST => RST,
Clk_6M => Clk_6M,
Clk_3M => Clk_3M,
Clk_750k => Clk_750k,
Clk_1P46k => Clk_1P46k,
Clk_22P88 => Clk_22P88,
Clk_11P44 => Clk_11P44,
Clk_1_HZ => Clk_1_HZ
);
-- Clock process definitions
clk_12M_process :process
begin
clk_12M <= '0';
wait for clk_12M_period/2;
clk_12M <= '1';
wait for clk_12M_period/2;
end process;
RST<='0';
CE <='1';
END;


Photos du projet



Une réponse sur « Projet électronique FPGA #3 : Générateur des horloges »
[…] pouvez consulter le projet électronique FPGA 3 : Générateur des horloges. Le circuit permet de générer une multitude des horloges allant de 6 MHz à 1 Hz, 8 horloges en […]